| View previous topic :: View next topic |
| Author |
Message |
bureau13
Joined: 07 Sep 2017 Posts: 495 Location: South Florida
|
Posted: Fri Aug 19, 2022 3:27 pm Post subject: AC mounting bushings |
|
|
I haven't been able to find these anywhere, I assume they're no longer made. Has anyone found something that will work? Or, has anyone had some made? I have no idea what's involved with that. My compressor was sitting slightly off-line, and I have a feeling that helped accelerate my compressor bearing wear. I'd like to avoid that with the replacement! _________________ 1982 931
1986.5 Silver 928S
2008 Volvo XC90 (Daily)
Past lives (I miss them all):
2007 Hummer H3 (Timing chain guide failure)
2004 RX-8 (Wrecked)
1993 RX-7 (Sold)
1987 RX-7 Turbo II (Sold)
1985 RX-7 GSL (Stolen) |
|
| Back to top |
|
 |
924RACR

Joined: 29 Jul 2001 Posts: 9064 Location: Royal Oak, MI, USA
|
Posted: Fri Aug 19, 2022 9:47 pm Post subject: |
|
|
Seems like this might end up being a perfect application for some 3D printing? _________________ Vaughan Scott
Webmeister
'79 924 #77 SCCA H Prod racecar
'82 931 Plat. Silver
#25 Hidari Firefly P2 sports prototype |
|
| Back to top |
|
 |
bureau13
Joined: 07 Sep 2017 Posts: 495 Location: South Florida
|
Posted: Sun Aug 21, 2022 12:42 am Post subject: |
|
|
This is definitely outside my expertise, I know at least early on, the commonly-used materials in consumer 3D printers weren't suited all that well to an automotive underhood environment...or at least that's what I've heard. It may well be different now. I know some people who are into that, I'll inquire...
| 924RACR wrote: | | Seems like this might end up being a perfect application for some 3D printing? |
_________________ 1982 931
1986.5 Silver 928S
2008 Volvo XC90 (Daily)
Past lives (I miss them all):
2007 Hummer H3 (Timing chain guide failure)
2004 RX-8 (Wrecked)
1993 RX-7 (Sold)
1987 RX-7 Turbo II (Sold)
1985 RX-7 GSL (Stolen) |
|
| Back to top |
|
 |
Goldwolf
Joined: 25 Jun 2017 Posts: 283 Location: Athens,GA
|
Posted: Tue Aug 23, 2022 5:34 am Post subject: |
|
|
Did you look at einmalig or automobile atlanta? I've bought plenty of stuff from AA even though there are some horror stories, but I think that was mostly the past. _________________ 1981 Weissach Edition #179 |
|
| Back to top |
|
 |
bureau13
Joined: 07 Sep 2017 Posts: 495 Location: South Florida
|
Posted: Tue Aug 23, 2022 2:21 pm Post subject: |
|
|
I've bought from Auto Atlanta with no problems, but they don't have this. No one does, from what I can tell. My friend who does 3D printing doesn't think the material would hold up, at least not the stuff he can use. I'm trying to see if I can find a generic bushing of some sort that will work now.
| Goldwolf wrote: | | Did you look at einmalig or automobile atlanta? I've bought plenty of stuff from AA even though there are some horror stories, but I think that was mostly the past. |
_________________ 1982 931
1986.5 Silver 928S
2008 Volvo XC90 (Daily)
Past lives (I miss them all):
2007 Hummer H3 (Timing chain guide failure)
2004 RX-8 (Wrecked)
1993 RX-7 (Sold)
1987 RX-7 Turbo II (Sold)
1985 RX-7 GSL (Stolen) |
|
| Back to top |
|
 |
chuck21401

Joined: 20 Feb 2005 Posts: 606 Location: Annapolis, MD
|
Posted: Tue Aug 23, 2022 9:21 pm Post subject: Re: AC mounting bushings |
|
|
| bureau13 wrote: | | I haven't been able to find these anywhere, I assume they're no longer made. Has anyone found something that will work? Or, has anyone had some made? I have no idea what's involved with that. My compressor was sitting slightly off-line, and I have a feeling that helped accelerate my compressor bearing wear. I'd like to avoid that with the replacement! |
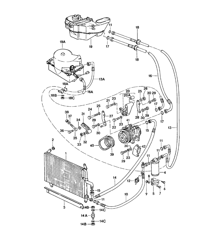
Which are you looking for? 20A?
http://be504584e176a474d016-e564704741b440ddde810f92e4b63150.r48.cf2.rackcdn.com/813-25.gif
(Sorry, img tags didn’t work as I hoped)
The AC was removed from my car and is never going back. The AC compressor mounting bracket and rubber mount inside is just sitting there if that is what you need.
If it’s easy to remove you can have it. Is the rubber part pressed in? Or does it pop out with some persuasion? _________________ 1981 Porsche 931 w/S1 engine & euro g31 transaxle. Water-cooled intercooler |
|
| Back to top |
|
 |
MikeJinCO
Joined: 08 Jun 2010 Posts: 1245 Location: Maysville, Colorado
|
Posted: Tue Aug 23, 2022 11:17 pm Post subject: |
|
|
I took a 931 motor apart years ago that had AC and saved the AC and alternator brackets, several with bushings. PM me your email and I'll send some pictures of what I have as I don't recall what went where. Or I could just send you the small box of parts (about 4x8x4)and let you sort thru them. _________________ Mike
'67 MG Midget Dp
'71 Ocelot Dsr Kawasaki 1000(under rebuild) |
|
| Back to top |
|
 |
bureau13
Joined: 07 Sep 2017 Posts: 495 Location: South Florida
|
Posted: Wed Aug 24, 2022 1:56 pm Post subject: |
|
|
Oh, that is awesome. Chuck, I'm actually not sure if they're pressed in or just sitting there semi-snug...I need to take my dead compressor out to know for sure.
Mike, PM incoming... _________________ 1982 931
1986.5 Silver 928S
2008 Volvo XC90 (Daily)
Past lives (I miss them all):
2007 Hummer H3 (Timing chain guide failure)
2004 RX-8 (Wrecked)
1993 RX-7 (Sold)
1987 RX-7 Turbo II (Sold)
1985 RX-7 GSL (Stolen) |
|
| Back to top |
|
 |
chuck21401

Joined: 20 Feb 2005 Posts: 606 Location: Annapolis, MD
|
Posted: Thu Aug 25, 2022 8:08 am Post subject: |
|
|
| bureau13 wrote: | Oh, that is awesome. Chuck, I'm actually not sure if they're pressed in or just sitting there semi-snug...I need to take my dead compressor out to know for sure.
Mike, PM incoming... |
I’ll keep an eye on this thread. I’m out of town until Sunday. Mike might be able to hook you up sooner, otherwise I see what’s
involved in pulling that bracket, looks like two bolts. _________________ 1981 Porsche 931 w/S1 engine & euro g31 transaxle. Water-cooled intercooler |
|
| Back to top |
|
 |
bureau13
Joined: 07 Sep 2017 Posts: 495 Location: South Florida
|
Posted: Thu Aug 25, 2022 2:15 pm Post subject: |
|
|
Mike had the stuff already removed, so he's sending it down. Appreciate all the help from both of you!
| chuck21401 wrote: | | bureau13 wrote: | Oh, that is awesome. Chuck, I'm actually not sure if they're pressed in or just sitting there semi-snug...I need to take my dead compressor out to know for sure.
Mike, PM incoming... |
I’ll keep an eye on this thread. I’m out of town until Sunday. Mike might be able to hook you up sooner, otherwise I see what’s
involved in pulling that bracket, looks like two bolts. |
_________________ 1982 931
1986.5 Silver 928S
2008 Volvo XC90 (Daily)
Past lives (I miss them all):
2007 Hummer H3 (Timing chain guide failure)
2004 RX-8 (Wrecked)
1993 RX-7 (Sold)
1987 RX-7 Turbo II (Sold)
1985 RX-7 GSL (Stolen) |
|
| Back to top |
|
 |
|